產品知識
中間銷軸安裝的低壓拉桿液壓缸的尺寸圖及參數
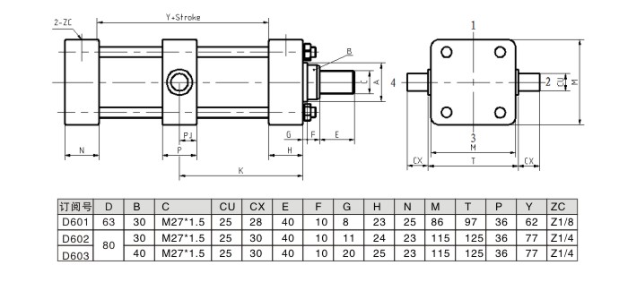
以下為中間銷軸安裝的低壓拉桿液壓缸的尺寸圖及參數。
漢達技術人員結合市場需求,整理了低壓拉桿液壓缸的廠標,給客戶選擇,客戶按廠標選擇,方便快捷,交貨期又快。
![]() |

低壓拉桿液壓缸其他安裝方式:http://www.www.foundare.cn/pressure_show-id-170.html
以下為中間銷軸安裝的低壓拉桿液壓缸的尺寸圖及參數。
漢達技術人員結合市場需求,整理了低壓拉桿液壓缸的廠標,給客戶選擇,客戶按廠標選擇,方便快捷,交貨期又快。
![]() |

低壓拉桿液壓缸其他安裝方式:http://www.www.foundare.cn/pressure_show-id-170.html
客戶評論
發表評論